咨询热线
15343541037
网站首页
Home
关于我们
About Us
企业文化
资质荣誉
组织架构
业务领域
新闻资讯
News
公司动态
行业新闻
通知公告
招标信息
Business
招标公告
中标公告
项目信息
Project
地质类项目
安全类项目
水保类项目
政策法规
Policy
法律法规
行业标准
人力资源
Join us
人才理念
诚聘英才
联系我们
Contact us
当前位置:
首页
项目信息
安全类项目
地质类项目
安全类项目
水保类项目
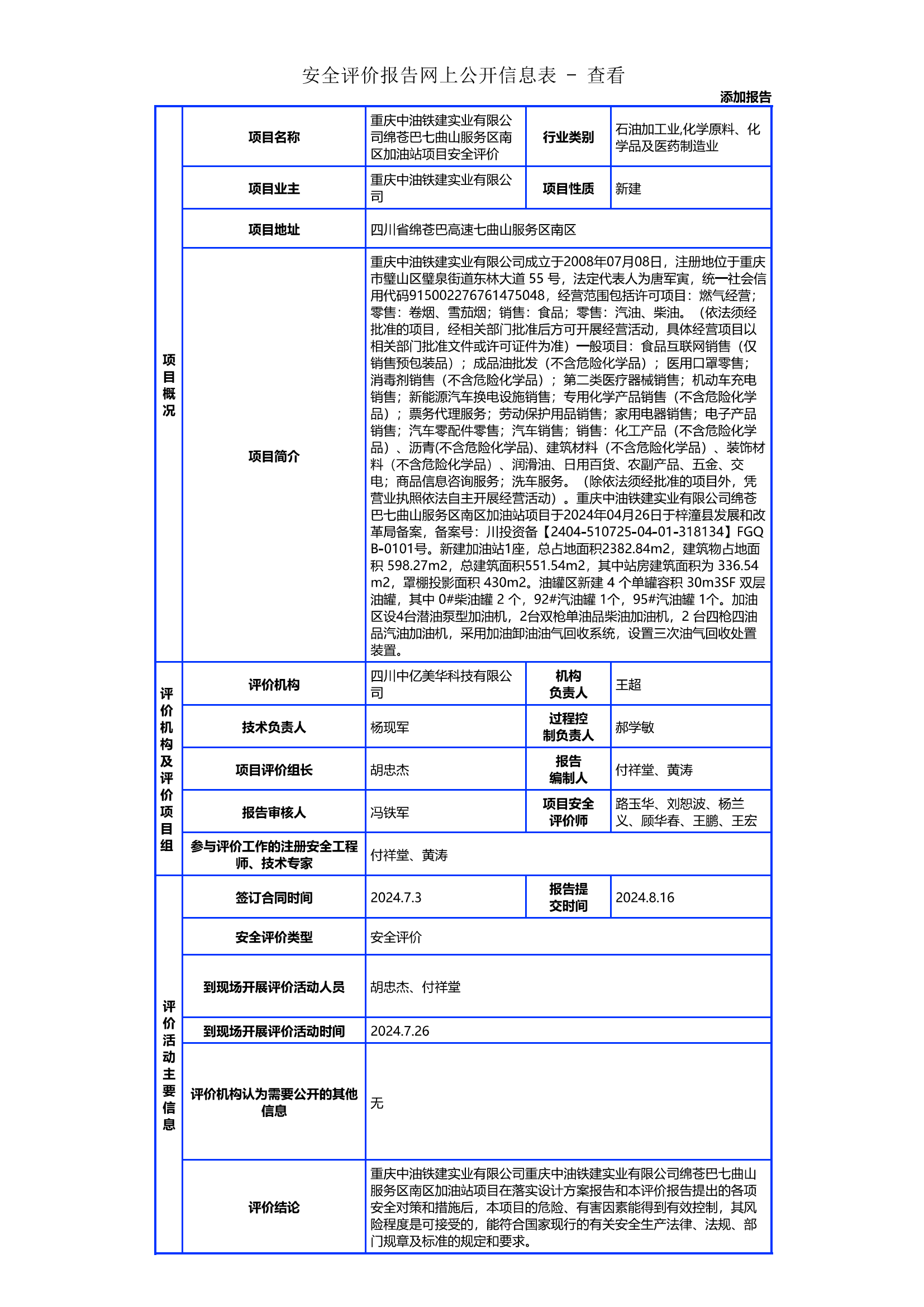
重庆中油铁建实业有限公司绵苍巴七曲山服务区南区加油站项目安全评价
2024-10-18
上一篇:
重庆中油铁建实业有限公司绵苍巴七曲山服务区北区加油站项目安全评价
上一篇:
中国航空油料有限责任公 司内蒙古分公司呼和浩特 机场油库安全现状评价